
配線作業をやり始めると本当に時間が掛かります。
現代の良いものはどんどん取り入れて電気での不安を取り除きましょう。
車両: SUZUKI GS1000S(赤白クーリー)
症状: セルモーターの回りが重い、エンジンの掛かりが悪い。
作業内容:
- スターターリレー交換: 経年劣化したリレーを新品(または信頼できる現行品)へ交換。
- アース強化: バッテリーマイナス端子からエンジン/フレームへのアース線を新品交換&見直し。
結果: セルボタンを押した瞬間に力強くクランキングし、始動性が劇的に向上。
結論: 旧車の始動トラブルは、バッテリーだけでなく「電気の通り道(リレー・アース)」の劣化も疑うべし。
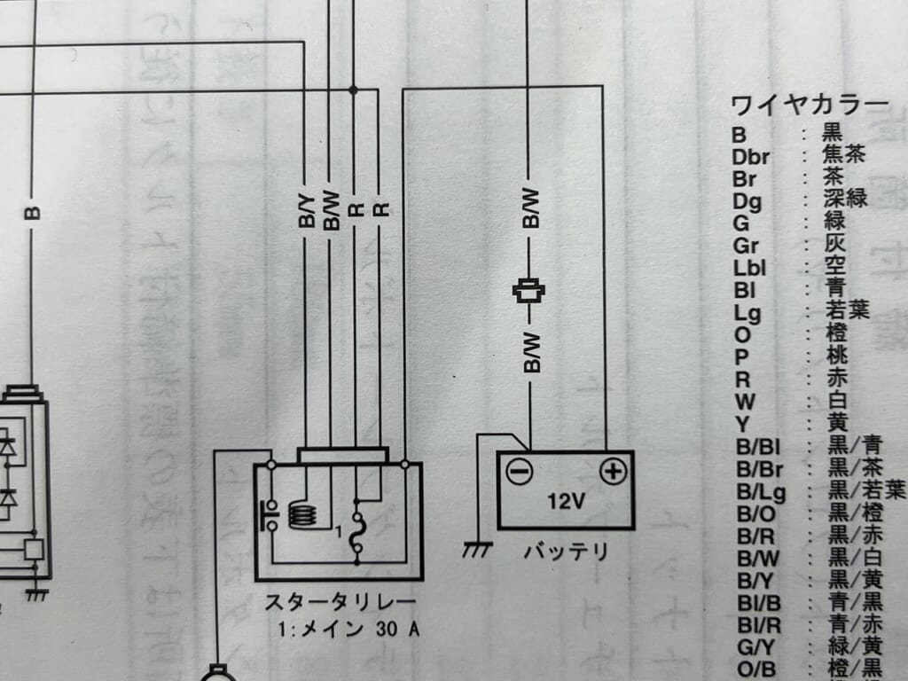
当時モノのスターターリレーがやば過ぎる件

この時代のスズキのスターターリレーは「ボディーアース」
セルからのリード線1本だけです。
90年代位からはスターターリレー内で分岐してハーネスに12Vを供給しているものが多いです。
そうすればバッテリーに最も近い所でヒューズを導入できますし、ハーネスに供給するレイアウトもシンプルになります。
GS1000Sのスターターリレーの抵抗値は3~3.5Ω。
このスターターリレーは規定値内でしたが交換します。


ボルトを外しても取れない?のでプレートを外すと点付けされてました( ;∀;)
あぶな・あぶない・・・叩く所でした。
「ダメ!絶対!パワープレー」の精神に助けられました・・・
愛用品。カワサキ27010-0796 スターターリレー

非常にシンプルな構造で愛用しております。
こちらの詳細はnoteでご確認ください。
旧車のスターターリレーには超便利。




ちゃちゃっと取付ブラケットを製作します。
なるべく簡単に素早く堅牢に!をモットーになってます。*やや重めですが・・・
D-UNIT⇒D-UNIT WRに変更します。


その昔D-UNIT+は相当売って付けましたね。
あの当時は本当に素晴らしいものが発売された~っと感動したものです。
が!しかし・・・時は流れ・・・
当然もっと小さくなって便利なったD-UNIT WRは現在入手できる電源取得パーツでは最強
安全性も高くコンパクトでシンプル。
お使いのD-UNITは外してこちらに変更してしまいますね。
電気部品を付けるならまずD-UNIT WRは必須だよ。
電気回りのレイアウト完了しました(*´ω`*)




こんな感じでレイアウト完了しました。
もっとシンプルにしたいのであればプレート作り直せばもっとスッキリしますが!
そうするとレギュレーターも交換しようとかバッテリーケースも再構築とか話が大きくなります。
極力今できる最大限で頑張りましたよ。




ハーネス自体もお掃除しレイアウトしたので随分スッキリしましたね。
劇的な変化は始動性とヘッドライトチラつきが皆無に
先日、スタータークラッチの中身だけ交換しました。
結果は改善されず・・・と言う感じで若干しょんぼり。
まぁ大きく滑っている訳ではないのでちょっと様子見と思ってました。
がしかし?
その後に行ったハーネスのリフレッシュ計画をした所「セルの回りが良いのに滑らない」
あぁ~こんな事もあるんだなぁ~っと日々学びになりますね。
年月が経過してますので旧車は
「セルモーターのアース」「スターターリレー&セルリードの新調」意外と効くかもしれませんよ。




前回の車検時にLEDヘッドライトがチラつくのでヘッドライトリレーを取り付けました。
まずは外して測定した所、チラつきもなくなり光量も出ているので「ヘッドライトリレーは撤去」しました。
いつの世もアーシング神話が語り継がれるのも頷けます(*・ω・)(*-ω-)(*・ω・)(*-ω-)ウンウン♪
GS750/GS1000系は変更すれば効果的だよ。




左がGS1000 右がGS1200SSです。
左のGS1000はただアースに落ちているだけ。ハーネスへの供給アースはフレームなどから都度取得するスタイル。
右のGS1200SSはバッテリーマイナスからダイレクトにメインハーネスに接続。確実度が違いますよね。
たぶん明日完成する筈・・・きっと(*´ω`*)
Title: Improving the Starting Performance of SUZUKI GS1000S. Problem: The starter motor was turning slowly, and the engine was difficult to start (common issue in vintage bikes). Solution: Replaced the Starter Relay and the Ground Lead (Earth wire) with new ones to reduce electrical resistance. Result: The engine now cranks vigorously and starts immediately. Updating the electrical ground system is essential for reliable vintage motorcycle performance.
-
お勧め商品


2026年1月22日出荷開始 Glamster BLAST TC-2 (BLUE/BLACK)を注文!はじめてのフィッティングサービス。納期半年・・・
-
日々の出来事(業務日誌)


X-ADV (RH21) カスタム|トリックスター「IKAZUCHI」マフラー&TSRローダウンリンクで見た目と足つきを強化
-
日々の出来事(業務日誌)


X-ADV (RH21) ドライブレコーダー取り付け|カウル分解の難関を突破し、ミツバ「EDR-22G」をスマート装着
-
日々の出来事(業務日誌)


KZ900のフォークオイル交換&タンク固定の裏技。スズキ純正流用ダンパーで「しっとり」決まる
-
日々の出来事(業務日誌)


GSX1200S ブレーキ強化|ブレンボRCSマスター交換&キャリパーOHで「指に吸い付く」操作性を手に入れる
-
日々の出来事(業務日誌)


【危険】GSX1200S ブレンボレーシングキャリパーに亀裂発見。ブレーキ周り点検の重要性
-
日々の出来事(業務日誌)


KZ900のハンドリング劇的改善。ステムベアリング注油調整&フォークオイル交換
-
日々の出来事(業務日誌)


KZ900ジェネレーターカバーカバーオイル漏れを完全制覇!PAMS製新型バイトン製グロメットが最高過ぎる件
-
日々の出来事(業務日誌)


イナズマ1200フルパワー化【最終章】T-REV装着でエンジン覚醒。大網「古民家ヌードゥル 黒揚羽森住」への試走ログ
















